沅江市乐庭养殖专业合作社

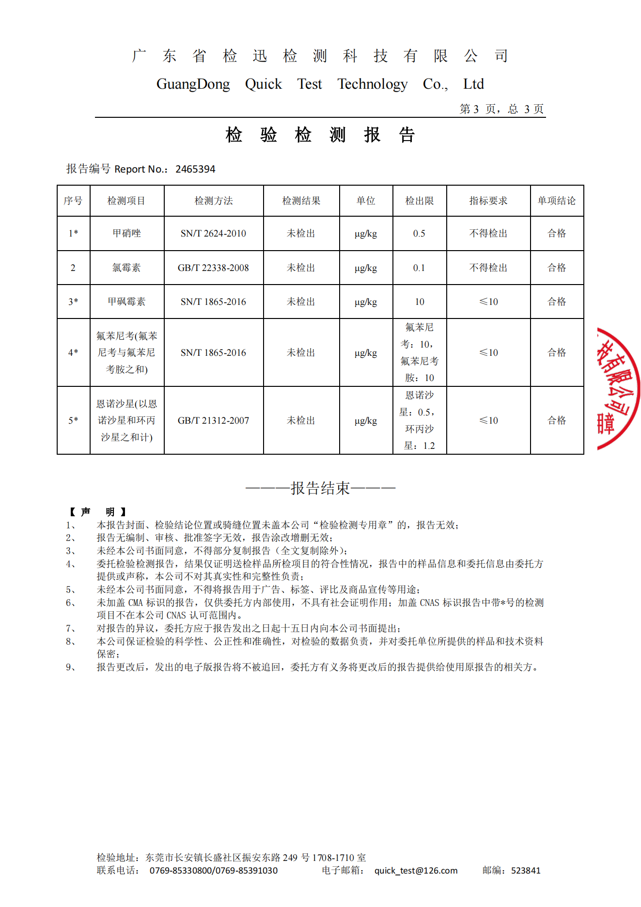
沅江市乐庭专业养殖合作社鸡蛋检验检测结果均为合格

沅江市乐庭专业养殖合作社负责人袁乐敏先生一直强调,沅江市乐庭专业养殖合作社一直将产品质量视为企业的生命线,从养殖环境、饲料选择、疾病防控到生产加工、包装运输等各个环节,都严格遵循国家相关标准和行业规范,确保每一枚鸡蛋都能达到高品质、无药残的要求。
图片37.png

为了验证产品的安全性,合作社定期将鸡蛋样品送往具有资质的第三方检测机构进行检测。检测项目包括但不限于兽药残留、重金属污染、微生物指标等,全面覆盖了可能影响鸡蛋安全性的各个方面。而最近一次的检验检测结果再次证明,沅江市乐庭专业养殖合作社的鸡蛋在各项指标上均达到了合格标准,甚至在某些方面还超出了行业平均水平。
微信图片_20241207132921.png

微信图片_20241207132946.png微信图片_20241207132951.png这一成果的取得,离不开合作社对质量管理的持续投入和不断创新。合作社引进了先进的养殖技术和设备,提高了养殖效率和鸡蛋品质;同时,还建立了完善的质量追溯体系,确保每一枚鸡蛋都能追溯到具体的养殖环节和生产批次,为消费者提供了更加透明、可靠的产品信息。
图片19.png

此外,沅江市乐庭专业养殖合作社还积极响应国家关于食品安全的号召,加强了对员工的食品安全培训和教育,提高了全体员工的质量意识和安全意识。合作社表示,将继续秉承“质量第一、诚信为本”的经营理念,为消费者提供更多优质、安全的鸡蛋产品。
8.png

尽管当前合作社的鸡蛋检验检测结果均为合格,但食品安全问题是一个持续关注的领域。因此,合作社将继续保持警惕,加强质量管理和风险防控,确保产品质量的稳定性和可持续性。

对于消费者而言,选择沅江市乐庭专业养殖合作社的鸡蛋产品,意味着选择了一份安心和保障。同时,也呼吁广大消费者关注食品安全问题,选择有信誉、有保障的品牌和产品,共同维护一个健康、安全的食品消费环境。


首页               公司简介            产品中心            成功案例            服务支持            联系我们
24小时服务热线
19168962008